店铺名称:焊接行业全球优选
- 存货编码: LG02-000019
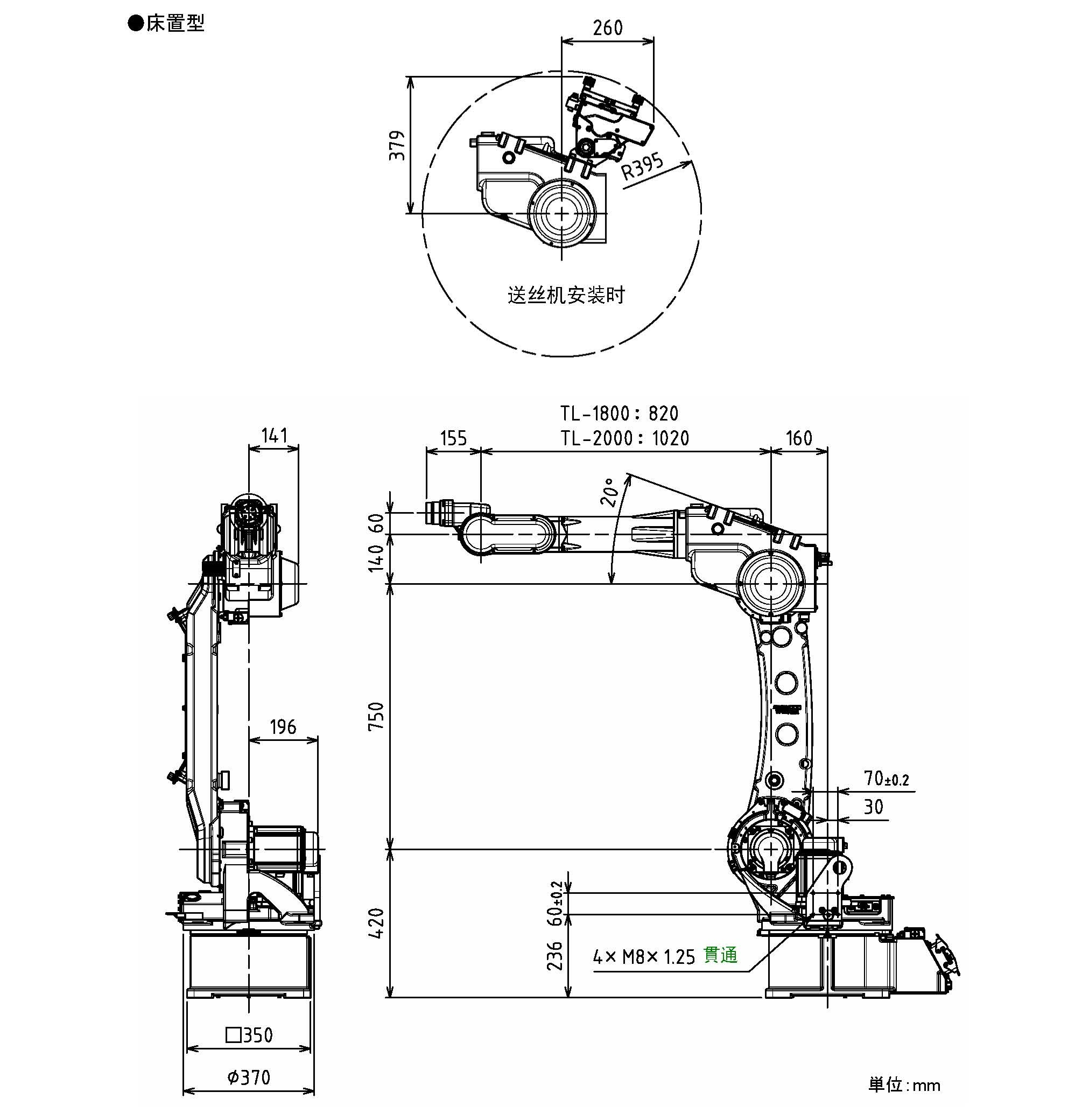
| 本体名称 | TL-1800 | TL-2000 | |||
| 结 构 | 6轴独立多关节型 | ||||
| 最大可搬重量 | 8 kg | 6 kg | |||
| 手臂 | 最大到达距离 | 1801 mm | 1999 mm | ||
| 动作 | 最小到达距离 | 383 mm | 491 mm | ||
| 各轴动作范围 | 基本轴 | RT轴(相当于J1轴) | 正面基准 | ±170° | |
| UA轴(相当于J2轴) | 垂直基准 | -90°~+165° | |||
| FA轴(相当于J3轴) | 水平基准 | -205°~+270° | |||
| 上臂基准 | -80°~+210° | ||||
| 手腕轴 | RW轴(相当于J4轴) | ±270° | |||
| BW轴(相当于J5轴) | 前臂基准 | -160°~+95° | |||
| TW轴(相当于J6轴) | ±400° | ||||
| 重复定位精度 | ±0.08 mm以内 | ±0.15 mm以内 | |||
| 接地 | D种以上机器人专用接地 | ||||
| 安装姿态 | 地面·天吊※ | ||||
| 周围温度/湿度 |
0℃~45℃,20%RH~90%RH 20℃时,湿度在90%RH以下(不结露)) |
||||
|
环境保护等级 |
相当于IP40 | ||||
| 本体重量 | 约215 kg | 约216 kg | |||
※机器人标准安装方式为地面安装。关于天吊以及壁挂安装方式,请咨询我司营业担当。
外形尺寸图





